Baudouin запчасти
  • Москва, ул. 7-ая Кожуховская, д. 20, info@baudouin-parts.ru

  • Понедельник - Пятница с 10:00 до 21:00

    В выходные не работаем, но можем ответить на вопрос

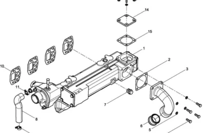
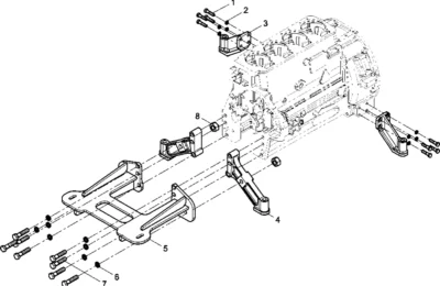
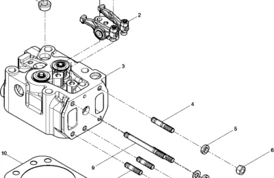
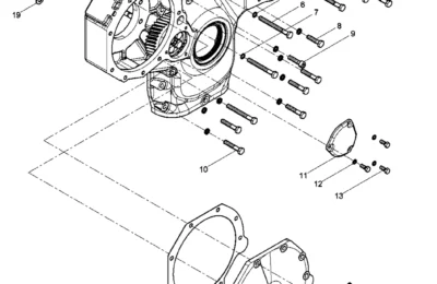
Запчасти на двигатель Baudouin 4M11

Мы используем файлы cookie для анализа событий на нашем сайте. Продолжая просмотр сайта, вы принимаете условия использования